工作场所毒物危害程度分级标准(GBZ/T 230—2025)

2025-10-25 22:32| 发布者: 启疾光| 查看: 4745| 评论: 0

摘要: 本标准规定了工作场所毒物危害程度分级的依据、危害程度等级划分及毒物危害指数计算,适用于工作场所毒物危害程度及职业病危害作业分级和职业健康风险评估。 ... ... ... ...


 

附 录 A

(资料性)

正确使用本标准的说明

 

A.1 制定本标准的目的及注意事项

A.1.1 本标准是工作场所毒物危害程度分级的技术依据,也是工作场所职业病危害分级-有毒作业分级和职业病危害分类管理的重要技术依据。本标准适用于常见工作场所毒物的分级,也是职业卫生监督管理部门实施职业卫生分类管理、职业卫生技术服务机构开展职业病危害评价的重要技术法规依据。

A.1.2 本标准应由受过职业卫生专业训练的专业人员使用。

A.1.3 本标准是基于科学性和可行性制定的,是综合分析各种影响毒物危害程度的指标得出的分级标准,它所规定的界值不能理解为职业危害程度分级的精确界限。

A.1.4 本标准是对工作场所毒物自身的毒性做出分级,工作场所化学物职业危害分级除自身毒性外,还应结合化学物暴露环境、在空气中的浓度、体力劳动强度,按照GBZ/T 229.2的要求进行分级。

A.2 数据来源及取舍

A.2.1 各项指标分级的依据是可获得的可靠的科学数据,数据应用的优先顺序依次为:GHS 分类数据、国家技术标准、国际组织正式颁布的文件(数据)、区域组织或其他国家的官方数据、教科书、文献资料。

A.2.2 急性毒性指标按 GHS 规定分级、赋分。评估吸入毒性依据首选试验动物为大鼠或小鼠;评估急性皮肤毒性依据首选试验动物为大鼠或兔子。如果缺乏首选试验物种的急性毒性数据,而有多个其他动物物种的急性毒性试验数据,则应科学判断,在有效、良好规范的试验中选出最适当的急性毒性数据。

A.2.3 急性吸入毒性以 4 h 暴露试验为基础,根据 1 h 暴露试验获得的现有吸入毒性数据的转换,对于气体和蒸气,应除以因子 2;对于粉尘和烟雾,应除以因子 4。根据 2 h 暴露或 3 h 暴露试验获得的吸入毒性数据的转换,参照 1 h 暴露试验数据转换方法处理。

A.2.4 本标准分级依据的部分指标是动物试验数据,如果所获得的数据不一致时,应以可赋予较高分值的数据为准。例如:某毒物(蒸气)的 LC50 有两个数据,一个是 450 mg/m3,另一个是 550 mg/m3

按分级标准,前者应划分为类别 1,赋 4 分;后者应划分为类别 2,赋 3 分。因此,应以前者为准,釆用 450 mg/m3 这一数据。

A.2.5 蓄积性包括物质蓄积和功能蓄积。蓄积性一般用蓄积系数表示,但生物半减期也反映物质的蓄积性。本标准把蓄积系数和生物半减期两个指标均作为分级依据。当有蓄积系数数据可用时,按蓄积系数分级;没有蓄积系数数据可用时,按生物半减期分级;如果毒物的毒性作用由其代谢产物引起的,则按该代谢产物的生物半减期分级。

A.2.6 本标准各项指标的分级标准是依据现有可获得数据、资料制定的,这些依据也将随着科学研究的深入而发生变化,因此,应用本标准时应注意最新的科学研究成果。

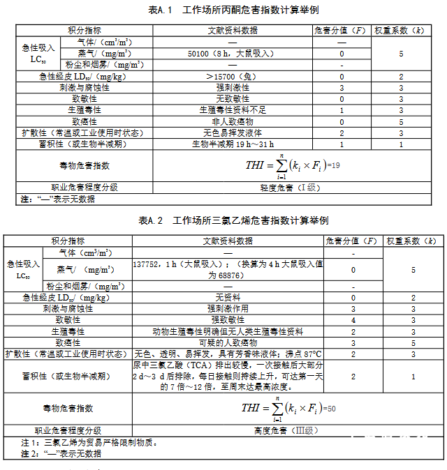
A.3 应用举例

A.3.1 单一化合物危害指数计算

毒物危害指数是影响毒物危害程度各项指标的综合加权积分值,综合反映工作场所毒物对劳动者健康危害程度的可能性,不能理解为工作场所毒物的实际危害程度。毒物危害指数计算举例见表A.1和表A.2


A.3.2 混合物的危害指数分级

例:某清洗剂成分为甲苯(含量25%)、正己烷(22%)、庚烷(38%)和三氯乙烯(15%),计算该毒物的THI指数,并分级。各化合物的指标数据见表A.3

A.3 各化合物的指标数据

成分

CAS

文献资料数据

甲苯

108-88-3

急性毒性:大鼠吸入49000 mg/m34 h

急性经口:LD50/mg/kg)为 5000(大鼠)

刺激性和腐蚀性:强刺激性

致敏性:无

生殖毒性:推定人类生殖毒性

致癌性:资料不足

扩散性:液体,沸点为111

蓄积性:生物半减期4h40h成分

正己烷

110-54-3

急性毒性:大鼠吸入48000 mg/m34 h

急性经口:LD50/mg/kg) 为28710(大鼠)

刺激性和腐蚀性:强刺激性

致敏性:无

生殖毒性:推定人类生殖毒性

致癌性:资料不足

扩散性:液体,沸点为69

蓄积性:生物半减期<4h

庚烷

142-82-5

急性毒性:大鼠吸入37500 mg/m34 h

急性经口:LD50/mg/kg)为 13625(大鼠)

刺激性和腐蚀性:中等刺激性

致敏性:无

生殖毒性:无

致癌性:资料不足

扩散性:液体,沸点为98.5

蓄积性:生物半减期4h40h

三氯乙烯

79-01-6

急性毒性:大鼠吸入137752 mg/m31 h(大鼠吸入);(换算为4 h大鼠吸入值为68876 mg/m3

急性经口:LD50/mg/kg)为4920(大鼠)

刺激性和腐蚀性:强刺激作用

致敏性:强致敏性

生殖毒性:可疑人类生殖毒性

致癌性:人致癌物

扩散性:液体,沸点为89.7

蓄积性:生物半减期40h400h


据公式(2)计算混合物的ATE

  Am = 100/25/49000+22/48000+38/37500+15/68876= 46461.7

因此,混合物的急性毒性属于轻微危害,划为类别5

同理,计算得出混合物经皮ATE8617 mg/m3,划为类别5。其他危险类别按照一般临界值法判定及THI计算结果见表A.4



路过

雷人

握手

鲜花

鸡蛋

本站信息仅供参考,不能作为诊断医疗依据,所提供文字图片及视频等信息旨在参考交流,如有转载引用涉及到侵犯知识产权等相关问题,请第一时间联系我们及时处理!

在线客服|关于我们|移动客户端 | 手机版|电子书籍下载|中医启疾光网 ( 鄂ICP备20008850号|公安备案图标鄂公网安备42011102005941号 )

Powered by Discuz! X3.5© 2001-2026 Discuz! Team. zyqjg.com

中医网版权标识 - 弘扬中医文化,传承中华医学

返回顶部